+
Clicca per leggere la descrizione completa
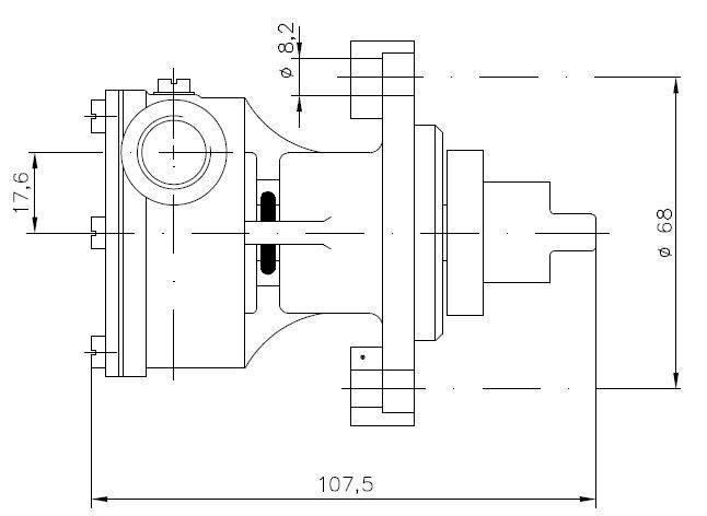
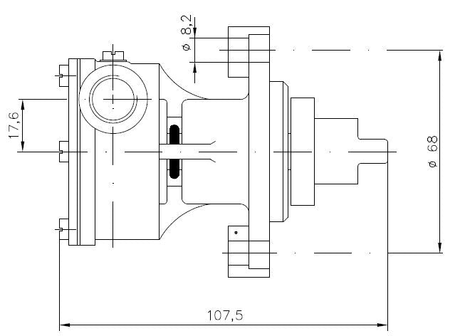
JAB 29470-2131 JOH F4B-9-10-35161-1 GIR./IMPELLER 2522 KIT 2495 VETUS STM8050
RECENSIONI DA GOOGLE
Segel-Praxis Segelschule
★★★★★
un anno fa
Servizio perfetto. Contatto super gentile con A.M. Ci ha aiutato rapidamente e ha gestito facilmente una richiesta di garanzia. Molto buono e altamente raccomandato!
Francesco Munari
★★★★★
un anno fa
Non è la prima volta che mi servo da Ancor, confermo la serietà dell'azienda anche nei piccoli ordini, sempre disponibili, in particolare il sig. Andrea.
Cristina Niccoli
★★★★★
7 mesi fa
Ottima esperienza, personale gentilissimo, molto professionale e disponibile. 🔝🔝🔝🔝🔝
Massimo Meridio
★★★★★
6 anni fa
Esperienza positiva con questa officina meccanica. Servizio soddisfacente e professionale.
Marco M
★★★★★
5 anni fa
Servizio affidabile e competente. Consiglio questa azienda per la serietà e professionalità dimostrata.
